傳真號碼:0755-86171515
QQ:1745396019
郵箱:tangxiaobing@szpu
jiang.com
地址:深圳市南山區(qū)南山大
道1008號
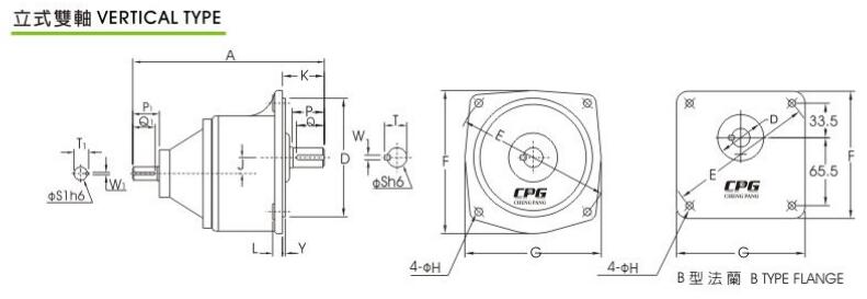
1、臺灣晟邦齒輪減速機立式CVD-1型是一款入力出力都帶軸的雙軸型斜齒輪減速機,可以與聯(lián)軸器、齒輪、鏈接、皮帶、滾筒等設備聯(lián)結使用。
2、臺灣城邦齒輪減速電機適用于-10攝氏度至40攝氏度的溫度,使用濕度在90%以下,適用海拔為1000公尺以下,特殊地區(qū)的特殊天氣可添加防凍油。
臺灣晟邦雙軸型齒輪減速機立式CVD型的材質及大小說明:
晟邦雙軸型臥式CVD-1,CVD-2,CVD-3,CVD-4,CVD-5,CVD-6型減速機,其出力軸直徑分別為18mm,22mm,28mm,32mm,40mm,50mm;
立式CVD-1、CVD-2、CVD-3型齒輪減速機本體采用優(yōu)質鋁合金外殼;立式CVD-4、CVD-5、CVD-6型減速機本體皆采用鑄鐵材質FC-20;
臺灣晟邦CPG雙軸齒輪減速機立式CVD型的齒輪材質說明:
晟邦齒輪減速機立式CVD型的齒輪均經過精密滾齒加工,齒輪加工精度等級為2-3級;
立式雙軸型CPG齒輪減速機的齒輪材質為S45C,調質至HRC21度,再經高周波熱處理至HRC45-48度。
晟邦臥式出入力帶軸CVD型齒輪減速機的齒軸工藝說明:
晟邦齒輪減速機立式CVD型的內部齒軸經SKIVING精密滾齒加工,齒輪精度等級為1-2級;
立式雙軸減速機CVD型的齒軸材質為SCM21,調質至HRC21度,再經滲碳熱處理至HRC58-61度;
城邦CVD型雙軸齒輪減速機的內部齒軸材質為SCM4調質至HRC21度,再經高周波處理至50-53度。




全國咨詢熱線:400-0838-618
傳真號碼:0755-86171515
QQ:1745396019
郵箱:[email protected]
地址:深圳市南山區(qū)南山大道1008號
掃一掃
進入蒲江手機網站
掃一掃
關注蒲江公眾號